Product
测温范围-200~800℃ 可提供本安防爆与隔爆型产品 符合GB3836.1-2000,GB3836.2-200ONEPSI标准 多种过程连接方式可选,满足不同场合应用 接线盒内可带温度变送器(见7401数据单)采用K型热电偶作为测温元件 适用于要求防爆场合的中高温测量 应用 制药机械、化学工业、制冷设备、天然气、泵制造 制药、食品、电力、冶金、玻璃、化工、橡胶、纺织等行业 热电偶芯镍铬-镍硅(K):-200~800℃
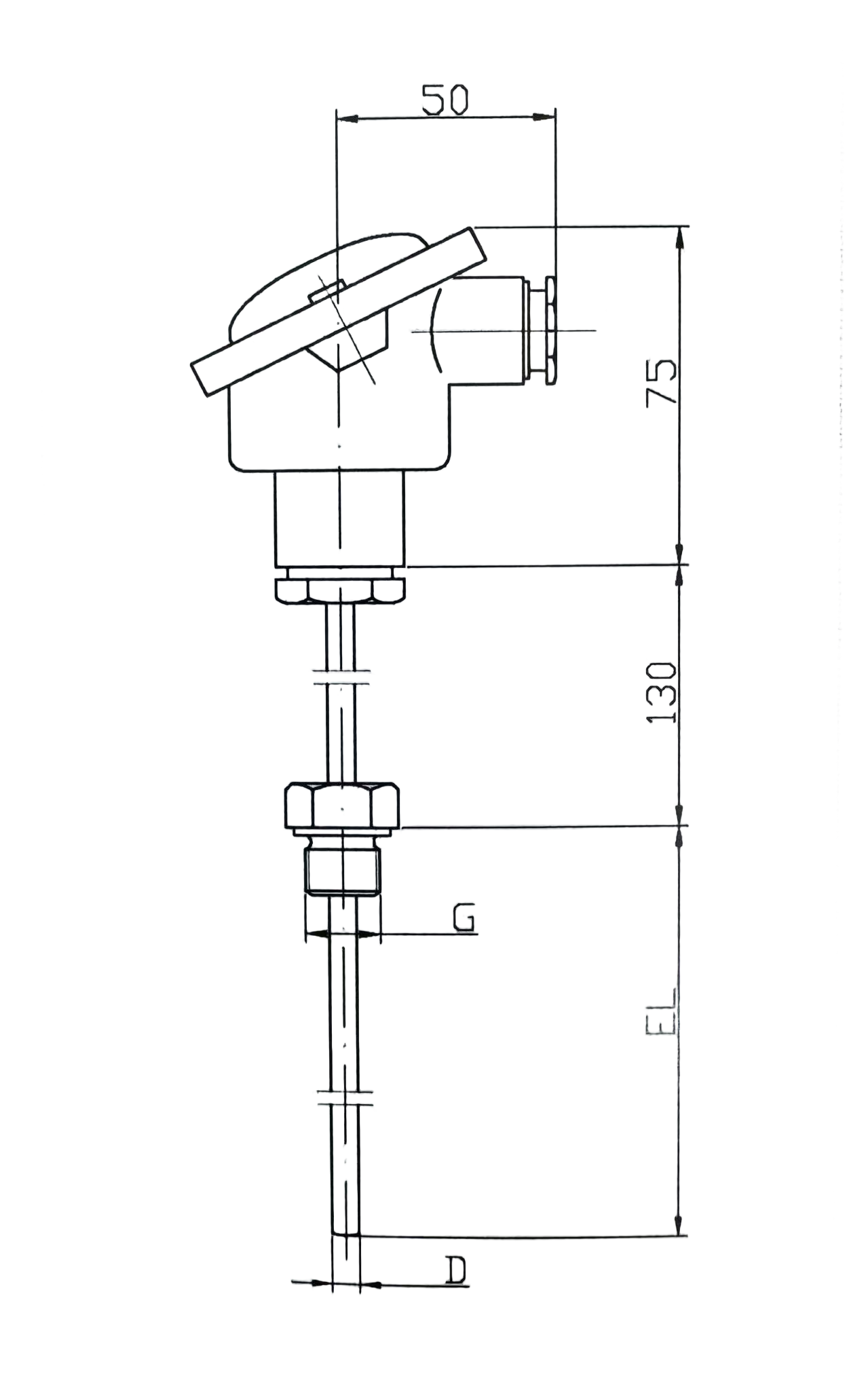
B型接线盒热电偶
J型接线盒热电偶
导线式热电偶
铠装热电偶
耐磨热电偶
接线盒与温度变送器
热电偶补偿导线
热电偶铠装探头
首页
电话
留言
回到顶部